基于样本迭代优化策略的密集连接多尺度土地覆盖语义分割 |
| 郑宗生, 高萌, 周文睆, 王政翰, 霍志俊, 张月维 |
|
Densely connected multiscale semantic segmentation for land cover based on the iterative optimization strategy for samples |
| ZHENG Zongsheng, GAO Meng, ZHOU Wenhuan, WANG Zhenghan, HUO Zhijun, ZHANG Yuewei |
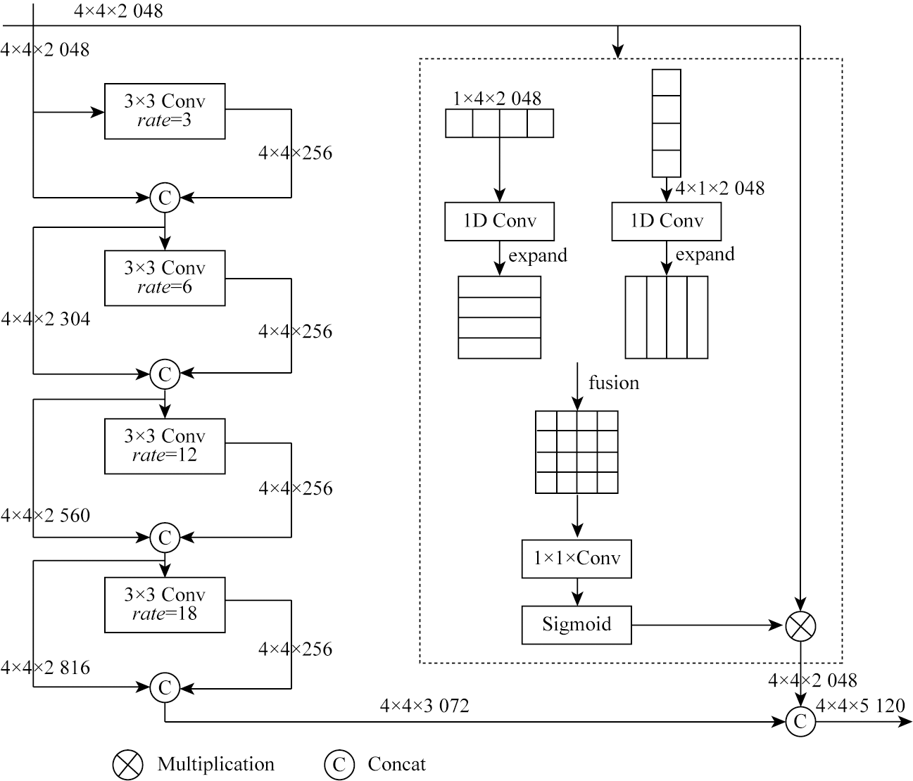
| 图4 密集连接多尺度信息模块图(MDCA_SP) |
| Fig.4 Densely connected multi-scale information module(MDCA and SP) |
|