结合时序InSAR与IRIME-LSTM模型的大范围矿区地表沉降预测 |
| 陈兰兰, 范永超, 肖海平, 万俊辉, 陈磊 |
|
Predicting surface subsidence in large-scale mining areas based on time-series InSAR and the IRIME-LSTM model |
| CEHN Lanlan, FAN Yongchao, XIAO Haiping, WAN Junhui, CHEN Lei |
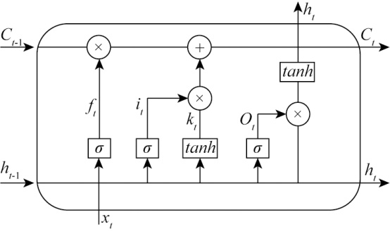
| 图1 LSTM单元结构 |
| Fig.1 Unite structure of LSTM |
|